




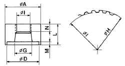
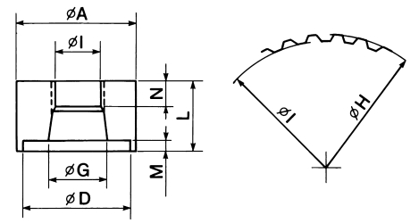
| P/N |
A |
TEETH |
D |
TAPER |
G |
H |
I |
L |
M |
N |
DANFOSS COLUMN TYPE |
|
DF (x) |
45 |
36 |
- |
1:16 |
21,68 |
20,68 |
19,38 |
30 |
- |
15 |
3 |
|
LC
(x) |
45 |
36 |
- |
1:19,26 |
22,18 |
22,05 |
20,80 |
26 |
- |
12,45 |
4 |
|
80 (x) |
45 |
40 |
- |
0 |
18 |
17,8 |
16,63 |
27 |
- |
18 |
- |
(x):
With threaded holes M6 for pooling up, on request.