 |
STANDARD
SPECIFICATIONS
- STEERING
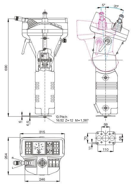
WHEEL TAPER DANFOSS 1 ( 1 : 20 - Ø 23,2 ).
- CONNECTION
FOR HYDRAULIC POWER STEERING 16/32" - Z = 12 - M = 1,587.
- ABS
PLASTIC COVERING.
- CONNECTORS
AT THE END OF THE HARNESS AMP CPC SERIES 2 AND 3.
- OTHER
CUSTOMIZED REQUESTS WILL BE CHECKED DURING THE PROJECT DEVELOPMENT
- COMPLETE
OF HARNESS
- TILT
ADJUSTMENT OF 25° (20° TOWARD THE OPERATOR AND 5° TOWARD THE
WINDSHIELD) BY LEVER ON THE LEFT SIDE
-
INSTRUMENTATION
AND ELECTRIC COMPONENTS BY CUSTOMER REQUES
|