Menü
COBO Group - Deutschland
Katalog-Index
|
Neuheiten
|
Buhr Industrieberatung und -vertrieb GmbH
|
Kontakt
|
Impressum
Kategorien
Lichtschalter / Lenkstockschalter etc.
Rückleuchten /Nummernschildbeleuchtung
Frontscheinwerfer
Zweikammerleuchten
Seitenmarkierungsleuchten
Kombileuchten
Arbeitsscheinwerfer
Reflektoren
Stossstangen mit Beleuchtung
Handleuchten
Warnleuchten
Innenraumleuchten
Zündschlösser
Batterieschalter
Kippschalter
Relais
Inverter
Converter
Summer
elektronische Regler
Sensoren
elektronisches Zubehör
Sicherungskästen
Steckverbindungen
Massekabel
Tankgeber
Sirenen
Rundumleuchten
Instrumente
Kontrollanzeigen
Lenkräder
Sitze
Lenksäuleneinheiten
Lenksäulen
Erklärungen Symbole
Erklärungen Teilenummern
Katalog-Index
»
Lenksäulen
»
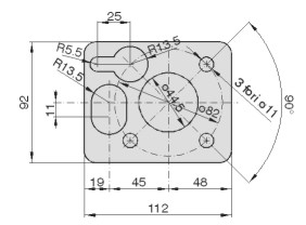
CSIB TYPE
CSIB TYPE
TILTING STEERING COLUMN UNIT HUB CONE 1 AVAILABLE WITH PROTRUSION 9.5 -14.5 mm.
9.5
L
CODE
280
CSIB110250
200
CSIB110200
150
CSIB110150
108
CSIB110108
82
CSIB110082
14.5
L
CODE
280
CSIB120250
200
CSIB120200
150
CSIB120150
108
CSIB120108
82
CSIB120082