![]()
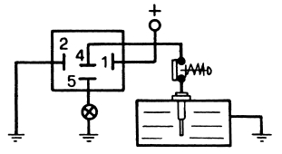
WATER LEVEL SENSOR RELAYS -WORKING TEMPERATURE -40° C ÷ 85° C -THE WARNING LAMP WILL SWITCH ON SOON AFTER THE PROBE IS NO LONGER IN CONTACT WITH WATER -OUTLET ACCORDING TO THE SPECIFICATION FN 13-431, NFR 14-331
![]()
![]()
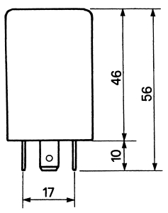
| PN | MAX SWITCHED CURRENT | WORKING VOLTAGE | VOLTAGE | ABSORBED CURRENT | CONNECTION BOARD | CONNECTION DIAGRAM |
| AV.18.0038 | - | 10 - 18 V | 12 V | - | ![]() |
![]() |
| AV.18.0039 | - | 18 - 28 V | 24 V | - | ![]() |
![]() |





