![]()
SINGLE SHAFT REVOLUTION CONTROL WARNING UNIT
-FEEDING VOLTAGE 9V - 15V dc
-PROTECTION AGAINST WATER AND DUST IP52
-WORKING TEMPERATURE -20° C ÷ 60° C
-STORAGE TEMPERATURE -30° C ÷ 80° C
-PROTECTED AGAINST INCORRECT INSTALLATION
![]()
![]()
![]() |
|
| TYPE A | TYPE B |
![]()
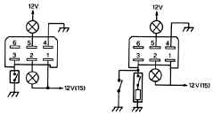
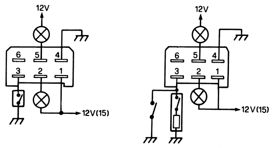
| PN | RPM SECTION 1 | IMPULSE PER REVOLUTION | CONNECTION BOARD | CONNECTION DIAGRAM TYPE | TYPE OF SENSOR AND MAGNET |
| 37.008.000 | 264 + 3,5% | 1 | ![]() |
A | 38.001.000 - 38.013.000 |
| 37.009.000 | 384 + 3,5% | 1 | ![]() |
A | 38.001.000 - 38.013.000 |
| 37.010.000 | 480 + 3,5% | 1 | ![]() |
A | 38.001.000 - 38.013.000 |
| 37.011.000 | 640 + 3,5% | 1 | ![]() |
B | 38.001.000 - 38.013.000 |
| 37.013.000 | 2400 + 3,5% | 1 | ![]() |
A | 38.001.000 - 38.013.000 |
| 37.014.000 | 278 + 3,5% | 1 | ![]() |
B | 38.001.000 - 38.013.000 |
| 37.015.000 | 550 + 3,5% | 1 | ![]() |
B | 38.001.000 - 38.013.000 |
| 37.016.000 | 2000 + 1% | 8 | ![]() |
A | 38.001.000 - 38.013.000 |
| 37.017.000 | 264 + 3,5% | 1 | ![]() |
A | 38.001.000 - 38.013.000 |
| 37.018.000 | 640 + 3,5% | 1 | ![]() |
B | 38.001.000 - 38.013.000 |
| 37.019.000 | 2400 + 3,5% | 1 | ![]() |
A | 38.001.000 - 38.013.000 |
| 37.020.000 | 780 + 3,5% | 1 | ![]() |
B | 38.001.000 - 38.013.000 |
| 37.021.000 | 550 + 3,5% | 1 | ![]() |
B | 38.001.000 - 38.013.000 |
| 37.023.000 | 1000 + 3,5% | 1 | ![]() |
A | 38.001.000 - 38.013.000 |
| 37.024.000 | 500 + 3,5% | 1 | ![]() |
A | 38.001.000 - 38.013.000 |
| 37.025.000 | 400 + 3,5% | 1 | ![]() |
A | 38.001.000 - 38.013.000 |
| 37.026.000 | 350 + 3,5% | 1 | ![]() |
A | 38.001.000 - 38.013.000 |
| 37.027.000 | 1730 + 1% | 8 | ![]() |
A | BORLETTI |
| 37.028.000 | 48 + 3,5% | 1 | ![]() |
A | 38.001.000 - 38.013.000 |
| 37.029.000 | 100 + 3,5% | 1 | ![]() |
A | 38.001.000 - 38.013.000 |
| 37.030.000 | 2000 + 3,5% | 1 | ![]() |
B | 38.001.000 - 38.013.000 |
| 37.031.000 | 1750 + 3,5% | 1 | ![]() |
B | 38.001.000 - 38.013.000 |
| 37.032.000 | 1200 + 3,5% | 1 | ![]() |
A | 38.001.000 - 38.013.000 |





