![]()
DOUBLE SHAFT REVOLUTION CONTROL WARNING UNIT
-FEEDING VOLTAGE 9V - 15V dc
-PROTECTION AGAINST WATER AND DUST IP52
-WORKING TEMPERATURE -20° C ÷ 60Stimun° C
-STORAGE TEMPERATURE -30° C ÷ 80° C
-PROTECTED AGAINST INCORRECT INSTALLATION
![]()
![]()
![]() |
|
|
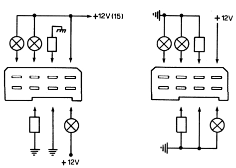
TYPE A |
TYPE B |
![]()
![]()
| PN | RPM SECTION 1 | RPM SECTION 2 | CONNECTION BOARD | CONNECTION DIAGRAM TYPE | TYPE OF SENSOR AND MAGNET |
| 37.003.000 | 324 - 20% | 340 - 20% | ![]() |
A | 38.001.000 - 38.013.000 |
| 37.004.000 | 348 - 20% | 3000 - 20% | ![]() |
A | 38.001.000 - 38.013.000 |
| 37.004.000 | 190 - 9% | 265 - 9% | ![]() |
B | 38.001.000 - 38.013.000 |




