![]()
BUZZERS
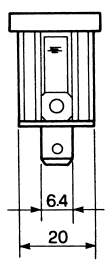
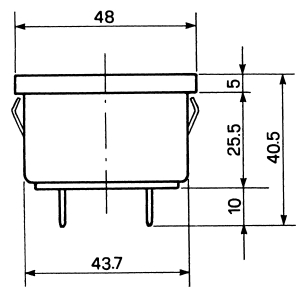
-PROTECTION AGAINST WATER AND
DUST IP54 -WORKING TEMPERATURE -30 C ÷ 80 C
-STORAGE TEMPERATURE -40 C ÷ 85 C
![]()
![]()
![]()
| PN | TONE | MINIMUMSOUND PRESSURE cm.60 | OPERATING FREQUENCY | CONNECTION BOARD | VOLTAGE | ABSORBED CURRENT |
| 31.001.000 | CONTINUOUS | 80dB | 400Hz 100 | ![]() |
24 V | 60 mA |
| 31.002.000 | CONTINUOUS | 80dB | 400Hz 100 | ![]() |
24 V | 60 mA |




