![]()
RELAY WITH DELAYED QUENCH
-PROTECTED AGAINST WATER AND DUST
IP51
-QUENCH t
DELAY 120"
-STARTING t DELAY
0,5'
-WORKING TEMPERATURE -20° C
60° C
![]()
![]()
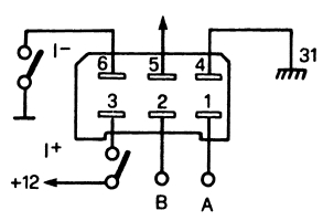
| PN | WORKING VOLTAGE | RATED VOLTAGE | MAX LOAD ON THE CONTACTS | CONNECTION BOARD | CONNECTION DIAGRAM |
| 18.110.000 | 10 - 14 V | 12 V | A/B
15 AMP R. A/B 5 AMP I. |
![]() |
![]() |




