![]()
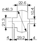
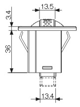
THUMBWHEEL POTENTIOMETER DEVICE
PC HOUSING - MINERAL FILED PA WHEEL - TERMINAL BOARD WITH 4 WAYS MQS AMP INTEGRATED CONNECTOR SUITABLE FOR AMP MQS 50402 3022DC MALE CONNECTOR - WHITE COLOUR LASER ETCHED ICONS LIGHTED BY GREEN COLOUR HIGH INTENSITY LED.






