![]()
LIGHT SWITCHES
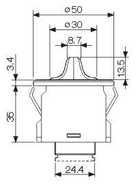
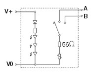
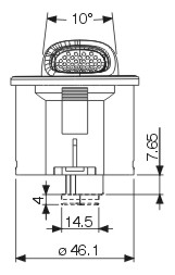
REED SWITCHESPC HOUSING - PC/ABS + GF KNOB SOFT TOUCH - PA + F.V. TERMINAL BOARD WITH 6 WAYS MQS AMP INTEGRATED CONNECTOR SUITABLE FOR AMP MQS 50402 3024DC MALE CONNECTOR - WHITE COLOUR LASER ETCHED ICONS LIGHTED BY GREEN COLOUR HIGH INTENSITY LED - WHITE COLOUR POINTER LIGHTED BY GREEN COLOUR HIGH INTENSITY LED.






