![]()
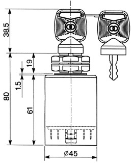
KEY IGNITION SWITCHES
HOUSING IN PLASTIC MATERIAL - SAFETY LOCK - SEALING: IP65
BEFORE STARTING THE SWITCH AGAIN PUT THE KEY INTO POSITION "0" PRESS THE KEY BEFORE ROTATING FROM POSITION "0" TO POSITION "3"
![]()
![]() |
|
||
![]()
![]() |
||
|
30.16.06571 |
36.16.06570 |
14.156.500 |
![]()







