Menü
COBO Group - Deutschland
Katalog-Index
|
Neuheiten
|
Buhr Industrieberatung und -vertrieb GmbH
|
Kontakt
|
Impressum
Kategorien
Lichtschalter / Lenkstockschalter etc.
Rückleuchten /Nummernschildbeleuchtung
Frontscheinwerfer
Zweikammerleuchten
Seitenmarkierungsleuchten
Kombileuchten
Arbeitsscheinwerfer
Reflektoren
Stossstangen mit Beleuchtung
Handleuchten
Warnleuchten
Innenraumleuchten
Zündschlösser
Batterieschalter
Kippschalter
Relais
Inverter
Converter
Summer
elektronische Regler
Sensoren
elektronisches Zubehör
Sicherungskästen
Steckverbindungen
Massekabel
Tankgeber
Sirenen
Rundumleuchten
Instrumente
Kontrollanzeigen
Lenkräder
Sitze
Lenksäuleneinheiten
Lenksäulen
Erklärungen Symbole
Erklärungen Teilenummern
Katalog-Index
»
Batterieschalter
»
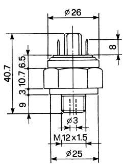
PRESSURE SWITCHES PUSH SWITCHES
PRESSURE SWITCHES PUSH SWITCHES
TABLE FOR CODE
WIRING DIAGRAM
NOMINAL TENSION
NOMINAL D.C. CURRENT
IP GRADE (IEC 529)
CALIBRATION VALUE
THREADING
12 V
2 A
IP 67
20 23 ATM
M 12 x 1,5
24 V
2 A
IP 67
20 23 ATM
M 12 x 1,5