

 |
|
17.111.001
|

| WIRING
DIAGRAM |
NOMINAL
TENSION |
NOMINAL
D.C. CURRENT |
PEAK
CURRENT 5" |
IP
GRADE (IEC 529) |
OPERATING
TEMPERATURE |
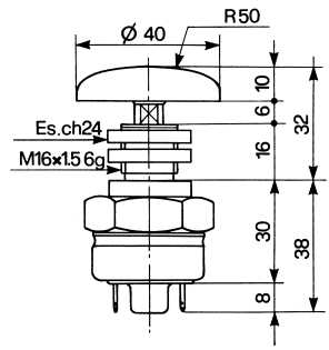
THREADING |
 |
12
V |
45
A inductive |
30
A |
IP
66 |
-
20° C + 40° C |
M
16 x 1,5 6g |
| 24
V |
20
A inductive |
20
A |
IP
66 |
-
20° C + 40° C |
M
16 x 1,5 6g |