![]()
REAR BARS ASSY
SEALING: IP 67
FRAME: ANODIZED ALLUMINIUM
HARNESS: ADR
LENGHT: CUSTOMIZED UPON REQUEST
HOMOLOGATED
THE HIGT RESISTANCE LIGHTWEIGHT ALLOY FRAME WITH STANDS SMALL STRESS WITHOUT
PERMANENT DEFORMATIONS
| TRUCK REAR BAR ASSY | |
![]() |
|
| P/N | VERSION | LENGTH |
| 07.0067.0000 | TRUCK REAR BAR ASSY | 2420 mm. |
| 07.0067.0500 | TRUCK REAR BAR ASSY - WITHOUT HARNESS | 2420 mm. |
| 07.0068.0000 | LONG AXLE UTILITY VAN REAR BAR ASSY | 1800 mm. |
| 07.0068.0500 | LONG UTILITY VAN REAR BAR ASSY - WITHOUT HARNESS | 1800 mm. |
| 07.0069.0000 | SHORT UTILITY VAN REAR BAR ASSY | 1680 mm. |
| 07.0069.0500 | SHORT UTILITY VAN REAR BAR ASSY - WITHOUT HARNESS | 1680 mm. |
| 07.0070.0000 | LONG UTILITY VAN REAR BAR ASSY | 2000 mm. |
| 07.0070.0500 | LONG UTILITY VAN REAR BAR ASSY- WITHOUT HARNESS | 2000 mm. |
|
|
| TRAILER REAR BAR ASSY | |
![]() |
|
| P/N | VERSION | LENGTH |
| 07.0066.0000 | TRAILER REAR BAR ASSY | 2420 mm. |
| 07.0066.0500 | INDUSTRIAL TRAILER REAR BAR ASSY - WITHOUT HARNESS | 2420 mm. |
|
|
| UNIVERSAL BAR ASSY | |
![]() |
![]() |
| P/N | VERSION | LENGTH | |
| 07.0071.0000 | REAR BAR ASSY | 2420 mm. | |
| 07.0071.0500 | REAR BAR ASSY WITHOUT HARNESS | 2420 mm. | |
![]() |
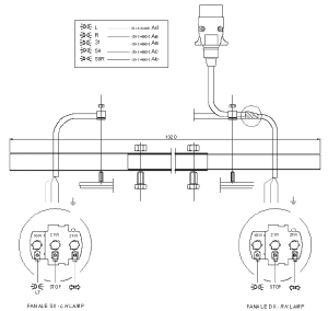
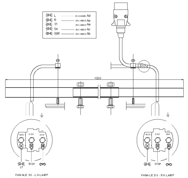
JUNCTION BOX ELECTRIC DIAGRAM |
||
![]() |
|||
| AGRICOLTURAL TRAILERS ADJUSTABLE REAR BAR ASSY | ||
![]() |
||
| P/N | VERSION | LENGTH |
| 0041-0028 | REAR BAR ASSY | 1300
mm. MIN 1700 mm. MIN |







