![]()
240 series STEERING COLUMN LOCKING
FORWARD-REVERSE-SLOW-FAST SHIFTER + SPEED DEVICE
-SPEED VARIATION/INTERIOR/EXTERIOR LIGHTS IGNITION: TURNING LEVER KNOB
-INTERIOR LEVER: METALLIC
-LEVER COVERING: POLYAMIDE+FUNCTION SYMBOLS
-CAP: BLACK NEOPRENE RUBBER
-PROTECTION CONTAINER: BLACK ALUMINIUM ALLOY
-CONNECTION CABLE: SUITABLE WITH DIFFERENT KINDS OF CONNECTION
-ELECTRICAL CONTACTS: OPEN AIR
-SETTING: DESIGNED FOR STEERING COLUMN OF DIFFERENT DIAMETERS
| FUNCTION | PEAK LOAD 12 V | PEAK LOAD 24 V |
| 5 A | 3 A | |
| 6,5 A | 4,5 A | |
| 7 A | 5 A | |
| 7 A | 5 A | |
| 7 A | 5 A | |
| 5 A | 3 A | |
| 1,8 A | 1 A | |
| 8 A | 5 A | |
| 9 A | 6 A | |
| 8 A | 5 A | |
| 5 A | 3 A | |
| 8 A | 5 A | |
| 8 A | 5 A | |
| 8 A | 5 A | |
| 8 A | 5 A | |
| 8 A | 5 A | |
| 3 A | 2 A | |
| 3 A | 2 A | |
| 3 A | 2 A | |
| 3 A | 2 A | |
| 3 A | 2 A | |
| 5 A | 3 A |
|
|
||||||||||||||
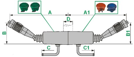
| P/N | A | B | C |
|
FUNCTION | D |
FUNCTION | A1 | B1 | C1 |
![]() SPARE PART |
|||
| 01.570.000 | 220 |
78 |
![]() |
01.570.500 | Ø 45 | 247 | 96 | ![]() |
01.570.600 | |||||
|
|
||||||||||||||
| P/N | A | B | C |
|
FUNCTION | D |
FUNCTION | A1 | B1 | C1 |
![]() SPARE PART |
|||
| 01.386.000 | 210 |
78 |
01.386.600 | Ø 38 | 247 | 96 | ![]() |
01.386.500 | ||||||
|
|
||||||||||||||
| P/N | A | B | C |
|
FUNCTION | D |
FUNCTION | A1 | B1 | C1 |
![]() SPARE PART |
|||
| 01.457.000 | 234 |
85 |
![]() |
01.457.500 | Ø 45 | 247 | 96 | ![]() |
01.457.600 | |||||
|
|
||||||||||||||
| P/N | A | B | C |
|
FUNCTION | D |
FUNCTION | A1 | B1 | C1 |
![]() SPARE PART |
|||
| 01.330.000 | 222 |
78 |
![]() |
01.330.500 | Ø 45 | 247 | 96 | ![]() |
01.330.600 | |||||
|
|
||||||||||||||
| P/N | A | B | C |
|
FUNCTION | D |
FUNCTION | A1 | B1 | C1 |
![]() SPARE PART |
|||
| 01.499.000 | 234 |
85 |
![]() |
01.294.500 | Ø 38 | 248 | 92 | ![]() |
01.294.600 | |||||
| 01.294.000 | 234 |
85 |
![]() |
01.294.500 | Ø 45 | 248 | 92 | ![]() |
01.294.600 | |||||
| 234 |
85 |
![]() |
01.379.500 | Ø 45 | 247 | 96 | ![]() |
01.379.600 | ||||||
|
|
||||||||||||||
| P/N | A | B | C |
|
FUNCTION | D |
FUNCTION | A1 | B1 | C1 |
![]() SPARE PART |
|||
| 01.551.000 | 256 |
95 |
![]() |
01.551.500 | Ø 45 | 247 | 96 | ![]() |
01.551.600 | |||||
|
|
||||||||||||||
| P/N | A | B | C |
|
FUNCTION | D |
FUNCTION | A1 | B1 | C1 |
![]() SPARE PART |
|||
| 01.354.000 | 234 |
85 |
![]() |
01.294.500 | Ø 45 | 247 | 96 | ![]() |
01.354.600 | |||||
|
|
||||||||||||||
| P/N | A | B | C |
|
FUNCTION | D |
FUNCTION | A1 | B1 | C1 |
![]() SPARE PART |
|||
| 01.252.000 | 222 |
78 |
![]() |
01.252.600 | Ø 45 | 247 | 96 | ![]() |
01.252.500 | |||||
|
|
||||||||||||||
| P/N | A | B | C |
|
FUNCTION | D |
FUNCTION | A1 | B1 | C1 |
![]() SPARE PART |
|||
| 01.290.000 | 222 |
78 |
01.290.600 | Ø 38 | 248 | 92 | ![]() |
01.290.500 | ||||||
|
|
||||||||||||||
| P/N | A | B | C |
|
FUNCTION | D |
FUNCTION | A1 | B1 | C1 |
![]() SPARE PART |
|||
| 01.336.000 | 234 |
85 |
01.336.600 | Ø 38 | 248 | 96 | ![]() |
01.336.500 | ||||||
|
|
||||||||||||||
| P/N | A | B | C |
|
FUNCTION | D |
FUNCTION | A1 | B1 | C1 |
![]() SPARE PART |
|||
| 01.339.000 | 256 |
95 |
![]() |
01.339.600 | Ø 45 | 247 | 96 | ![]() |
01.339.500 | |||||






C
C1



















































C

