![]()
240 series STEERING COLUMN LOCKING LIGHT CONTROL SWITCH + WINDSHIELD WIPER CONTROL
-INTERIOR-EXTERIOR LIGHTS IGNITION: TURNING KNOB LEVER
-INTERIOR LEVER: METALLIC
-LEVER COVERING: ABS OR POLYAMIDE+FUNCTION SYMBOLS
-CAP: BLACK NEOPRENE RUBBER
-REST BRACKET: ZINC STEEL
-PROTECTION CONTAINER: POLYAMIDE
-CONNECTION CABLE: SUITABLE WITH DIFFERENT KINDS OF CONNECTION
| FUNCTION | PEAK LOAD 12 V | PEAK LOAD 24 V |
| 5 A | 3 A | |
| 6,5 A | 4,5 A | |
| 7 A | 5 A | |
| 7 A | 5 A | |
| 7 A | 5 A | |
| 5 A | 3 A | |
| 1,8 A | 1 A | |
| 8 A | 5 A | |
| 9 A | 6 A | |
| 8 A | 5 A | |
| 8 A | 5 A | |
| 5 A | 3 A | |
| 6 A | 3 A | |
| 6 A | 3 A | |
| 6 A | 3 A | |
| 6 A | 3 A | |
| 6 A | 3 A |
|
|
||||||||||||||
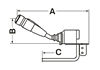
| P/N | A | B | C |
|
FUNCTION | D |
FUNCTION | A1 | B1 | C1 |
![]() SPARE PART |
|||
| 01.450.000 | 242 |
28 |
01.450.500 | Ø 45 | 234 | 10 | 01.450.600 | |||||||
|
||||||||||||||
| P/N | A | B | C |
|
FUNCTION | D |
FUNCTION | A1 | B1 | C1 |
![]() SPARE PART |
|||
| 01.0614.0000 | 280 |
90 |
01.0614.0500 | Ø 50 | 230 | 78 | 01.0614.0600 | |||||||
|
||||||||||||||
| P/N | A | B | C |
|
FUNCTION | D |
FUNCTION | A1 | B1 | C1 |
![]() SPARE PART |
|||
| 01.520.000 | 245 |
180 |
01.520.500 | Ø 50 | 270 | 150 | ![]() |
01.520.600 | ||||||
|
|||
| P/N | FUNCTION | ||
| 01.0601.0500 | |||
|
|||
| P/N | FUNCTION | ||
| 01.0601.0600 | |||
|
|||
| P/N | FUNCTION | ||
| 01.0627.0000 | |||





C
C1



C
C1




C
C1






