![]()
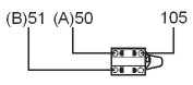
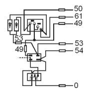
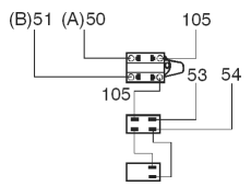
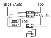
190 series STEERING COLUMN LOCKING LIGHT CONTROL SWITCH + KEY SENDER CONTROL EXCAVATOR ARM
-INTERIOR-EXTERIOR LIGHTS IGNITION: TURNING KNOB LEVER
-INTERIOR LEVER: METALLIC
-LEVER COVERING: POLYAMIDE+FUNCTION SYMBOLS
-CAP: BLACK NEOPRENE RUBBER
-PROTECTION CONTAINER: POLYAMIDE
-CONNECTION CABLE: SUITABLE WITH DIFFERENT KINDS OF CONNECTION
| FUNCTION | PEAK LOAD 12 V | PEAK LOAD 24 V |
| 5 A | 3 A | |
| 6,5 A | 4,5 A | |
| 7 A | 5 A | |
| 7 A | 5 A | |
| 7 A | 5 A | |
| 5 A | 3 A | |
| 10 A | 10 A |
|
|
||||||||||||||
| P/N | A | B | C |
|
FUNCTION | D |
FUNCTION | A1 | B1 | C1 |
![]() SPARE PART |
|||
01.247.000![]() |
215 |
110 |
![]() |
01.247.500 | Ø 38 | ![]() ![]() |
133 | 109 | ![]() |
01.228.600 | ||||
01.396.000![]() |
215 |
110 |
![]() |
01.396.500 | Ø 38 | ![]() ![]() |
133 | 109 | 01.396.600 | |||||
01.238.000![]() |
215 |
110 |
![]() |
01.238.500 | Ø 38 | ![]() ![]() |
133 | 109 | 01.177.600 | |||||
|
|
||||||||||||||
| P/N | A | B | C |
|
FUNCTION | D |
FUNCTION | A1 | B1 | C1 |
![]() SPARE PART |
|||
01.420.000![]() |
215 |
110 |
![]() |
Ø 38 | ![]() ![]() |
133 | 109 | |||||||
|
|
||||||||||||||
| P/N | A | B | C |
|
FUNCTION | D |
FUNCTION | A1 | B1 | C1 |
![]() SPARE PART |
|||
01.541.000![]() |
215 |
110 |
![]() |
Ø 38 | ![]() ![]() |
133 | 109 | |||||||
|
|
||||||||||||||
| P/N | A | B | C |
|
FUNCTION | D |
FUNCTION | A1 | B1 | C1 |
![]() SPARE PART |
|||
01.0630.0000![]() |
215 |
110 |
![]() |
Ø 38 | 133 | 109 | ||||||||






C
C1





















