![]()
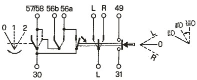
190 series STEERING COLUMN LOCKING LIGHT CONTROL SWITCH + DIMMER SWITCH
-INTERIOR-EXTERIOR LIGHTS IGNITION: TURNING KNOB LEVER
-INTERIOR LEVER: METALLIC
-LEVER COVERING: POLYAMIDE+FUNCTION SYMBOLS
-CAP: BLACK NEOPRENE RUBBER
-PROTECTION CONTAINER: BLACK ALUMINIUM ALLOY
-CONNECTION CABLE: SUITABLE WITH DIFFERENT KINDS OF CONNECTION
| FUNCTION | PEAK LOAD 12 V | PEAK LOAD 24 V |
| 5 A | 3 A | |
| 6,5 A | 4,5 A | |
| 7 A | 5 A | |
| 7 A | 5 A | |
| 7 A | 5 A | |
| 5 A | 3 A |
|
|
||||||||||||||
| P/N | A | B | C |
|
FUNCTION | D |
FUNCTION | A1 | B1 | C1 |
![]() SPARE PART |
|||
| 01.211.000 | 210 |
102 |
![]() |
01.211.500 | Ø 38 | 01.211.600 | ||||||||
|
01.216.000 |
210 |
102 |
![]() |
01.215.500 | Ø 38 | 01.216.600 | ||||||||
|
|
||||||||||||||
| P/N | A | B | C |
|
FUNCTION | D |
FUNCTION | A1 | B1 | C1 |
![]() SPARE PART |
|||
| 01.237.000 | 210 |
102 |
![]() |
01.211.500 | Ø 38 | 01.237.600 | ||||||||
|
|
|||||||||||||
| P/N | A | B | C |
|
FUNCTION | D |
FUNCTION | A1 | B1 | C1 |
![]() SPARE PART |
||
| 01.217.000 | 210 |
102 |
01.217.500 | Ø 38 |
|
01.217.600 | |||||||






C
C1










