![]()
190 series STEERING COLUMN LOCKING
CONTROL LIGHTS SWITCH + WINDSHIELD WIPER
-INTERIOR-EXTERIOR LIGHTS OR WINDSHIELD WIPER CONTROL: TURNING KNOB LEVER
-INTERIOR LEVER: METALLIC
-LEVER COVERING: POLYAMIDE+FUNCTION SYMBOLS
-CAP: BLACK NEOPRENE RUBBER
-PROTECTION CONTAINER: POLYAMIDE
-REST BRACKET: ZINC STEEL
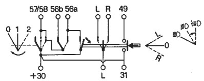
-CONNECTION CABLE: SUITABLE WITH DIFFERENT KINDS OF CONNECTIONS.
| FUNCTION | PEAK LOAD 12 V | PEAK LOAD 24 V |
| 5 A | 3 A | |
| 6,5 A | 4,5 A | |
| 7 A | 5 A | |
| 5 A | 3 A | |
| 7 A | 5 A | |
| 5 A | 3 A | |
| 18 A | 3 A | |
| 8 A | 5 A | |
| 9 A | 6 A | |
| 9 A | 6 A |
|
|
|||||||||||||
| P/N | A | B | ![]() C |
SPARE PART |
FUNCTION | D |
FUNCTION | A1 | B1 | ![]() C1 |
SPARE PART |
||
| 01.328.000 | 215 |
128 |
01.276.500 | Ø 50 | |||||||||
|
|
|||||||||||||
| P/N | A | B | ![]() C |
SPARE PART |
FUNCTION | D |
FUNCTION | A1 | B1 | ![]() C1 |
SPARE PART |
||
| 01.308.000 | 215 |
128 |
01.276.500 | Ø 50 | |||||||||
|
|
|||||||||||||
| P/N | A | B | ![]() C |
SPARE PART |
FUNCTION | D |
FUNCTION | A1 | B1 | ![]() C1 |
SPARE PART |
||
| 01.0689.0000 | 215 |
128 |
01.276.500 | Ø 50 | |||||||||
|
|
||||||||||||||
| P/N | A | B | ![]() C |
SPARE PART |
FUNCTION | D |
FUNCTION | A1 | B1 | ![]() C1 |
SPARE PART |
|||
| 01.221.000 | 215 |
128 |
01.221.500 | Ø 50 | 210 | 128 | 01.221.600 | |||||||
|
|
||||||||||||||
| P/N | A | B | ![]() C |
SPARE PART |
FUNCTION | D |
FUNCTION | A1 | B1 | ![]() C1 |
SPARE PART |
|||
| 01.276.000 | 215 |
128 |
01.276.500 | Ø 50 | 210 | 128 | 01.276.600 | |||||||
|
|
||||||||||||||
| P/N | A | B | ![]() C |
SPARE PART |
FUNCTION | D |
FUNCTION | A1 | B1 | ![]() C1 |
SPARE PART |
|||
| 01.0654.0000 | 215 |
128 |
01.276.500 | Ø 50 | 210 | 128 | 01.276.600 | |||||||

















