![]()
170 series DASHBOARD LOCKING
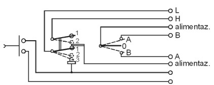
FORWARD-REVERSE MOTION SHIFTER
-INTERIOR LEVER: METALLIC
-LEVER COVERING: POLYAMIDE+FUNCTION SYMBOLS
-CAP: BLACK NEOPRENE RUBBER
-PROTECTION CONTAINER: POLYAMIDE
-CONNECTION CABLE: SUITABLE WITH DIFFERENT KINDS OF CONNECTIONS
-ELECTRICAL CONTACTS: OPEN AIR
| FUNCTION | PEAK LOAD 12 V | PEAK LOAD 24 V |
| 8 A | 5 A | |
| 8 A | 5 A | |
| 8 A | 5 A | |
| 8 A | 5 A |
![]() |
||
| P/N | DIMENSIONS | FUNCTION |
| 01.261.000 | ![]() |
|


